Led Flasher Circuit Diagram
1 5v Led Flasher Oscillator Red Page87

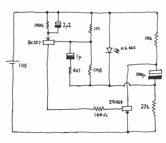
28 Circuit Diagram Of Led Flasher Two Colour Led

Tutorial 5 555 Led Flasher Electronic Circuit


Led Flasher Chaser Circuit With Or Without Ic Electronic

41 Led Flasher Circuit Using 555 Ic 4 Steps Instructables

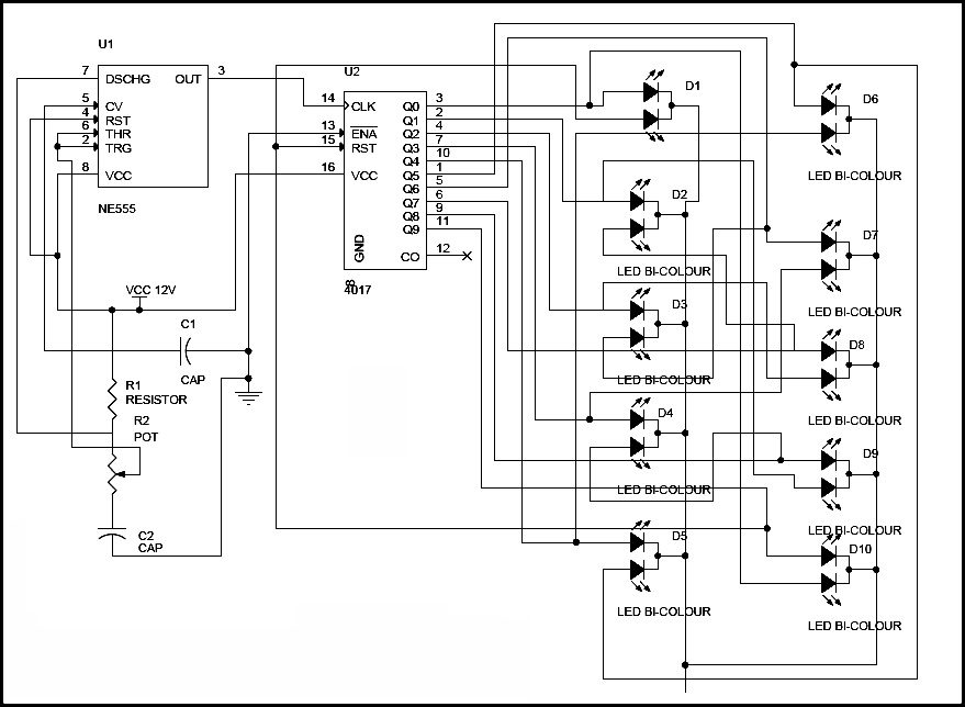
Led Sequencers Flashers Clocks Faders

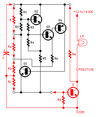
Practical Led Indicator And Flasher Circuits Nuts Volts

Results Page 239 About 12 Volt Led Flasher Searching

Led Blinking Circuits Bi Color Led Dancing Lights Led
Posting Komentar untuk "Led Flasher Circuit Diagram"